FORMSTÜCKE UND VERBINDUNGEN AUS UP-GF
|
|
Formstücke aus glasfaserverstärkten Polyesterharzen werden nach DIN 16966 Teil 2, Teil 4 und Teil 5 gefertigt. Die Basis sind ungesättigte Polyesterharze, sog. UP-Harz, die sich hervorragend für den schweren Chemieeinsatz bei Über- und Unterdruck eignen. Glasfaserverstärkter Kunststoff (GFK) auf der Basis ungesättigter Polyesterharze, einschließlich der Phenacrylatharze, ist naturfarben und kann je nach Anwendung und Einsatz eingefärbt werden. Grundsätzlich ist der Werkstoff brennbar, durch Beigabe entsprechender Zuschlagsstoffe kann bei der Herstellung der Zustand schwer entflammbar oder selbstlöschend hergestellt werden. Durch Zugabe von Graphit kann der Werkstoff leitfähig gestaltet werden. Kwerk GmbH liefert Linerwerkstoffe für Rohre und Formstücke entsprechend der einschlägigen Norm DIN 16965 Teil 2/ Rohrtyp B. Unsere neue Produktreihe: ![]() Zu unserem Lieferprogramm gehören: - Liner GFK-PVC U weichmacherfreies Polyvinylclorid nach DIN 8061, Farbe grau - Liner GFK-PVC U weichmacherfreies Polyvinylclorid nach DIN 8061, Farbe rot - Liner PVC C nachchloriertes Polyvinylclorid nach DIN 8080 - Liner GFK-PE-HD Polyethylen hoher Dichte nach DIN 8075 - Liner GFK-PP Polypropylen nach DIN 8078 - Liner PVDF Polyvinylidenfluorid Unsere Formstücke aus UP-GF sind frei von Fehlstellen wie Lufteinschlüssen und Rissen. Über die gesamte Baulänge ist der Laminataufbau nach DIN 16966 garantiert. Grundsätzlich können andere Ausführungen im UP-GF Laminataufbau auf Anfrage vereinbart werden. Alle Dichtflächen und Nahtstellen werden bei der Fertigung mit UP-GF mit einer Laminatschicht versehen. Weitere technische Detailinformationen finden Sie hier |
Die DIN 16 966 regelt die spezifische Ausführungen, die Beschaffenheit und Prüfung von UP-GF Formstücken. Hierzu gehört insbesondere - Unterdruckbelastbarkeit - Schichtaufbau und Glasgehalt - Styrolgehalt - Oberflächenbeschaffenheit - Verhalten gegenüber Chemikalien - Haft- und Steifigkeit - Hygienische und toxikologische Eignung - Brandverhalten - Abmessungen - Prüfung - Kurzzeit Innendruckversuche Unser Team, mit fast 40 Jahren Berufserfahrung im Bereich der Fertigung und dem Einsatz von UP-GF Formstücken und Verbindungen, steht Ihnen für weitere Fragen jederzeit zur Verfügung. Rufen sie einfach an: 0049 2602 999730. ![]() |
LIEFERPROGRAMMDN 25 - DN 1000BOGEN 90° AUS UP-GF, FÜR ROHR TYP D |
![]() |
![]() |
![]() |
![]() |
![]() |
Die Bögen werden mit den Rohren des entsprechenden Rohrtyps, oder mit anderen Formstücken durch Flanschverbindungen oder Laminatverbindungen verbunden. Produktbezeichnung UP-GF (Rein GFK): Bogen 90°, entsprechend Rohrtyp D, Form E1, Nennweite DN 100 und Nenndruck PN 10, mit Laminatenden der Form L BOGEN DIN 16 966 - E1 D 100 - 10 L Verbundwerkstoffe / Liner: Kwerk GmbH liefert auch Linerwerkstoffe (Verbundwerkstoffe) für Rohre und Formstücke entsprechend der einschlägigen Norm DIN 16965 Teil 2/ Rohrtyp B. Zu unserem Lieferprogramm gehören: - Liner GFK-PVC U weichmacherfreies Polyvinylclorid nach DIN 8061, Farbe grau - Liner GFK-PVC U weichmacherfreies Polyvinylclorid nach DIN 8061, Farbe rot - Liner PVC C nachchloriertes Polyvinylclorid nach DIN 8080 - Liner GFK-PE-HD Polyethylen hoher Dichte nach DIN 8075 - Liner GFK-PP Polypropylen nach DIN 8078 - Liner PVDF Polyvinylidenfluorid Sie können den Bogen 90° aus GFK, auch online in unserem Webshop einkaufen |
|
BOGEN 45° AUS UP-GF, FÜR ROHR TYP D |
![]() |
![]() |
![]() |
![]() |
![]() |
Die Bögen werden mit den Rohren des entsprechenden Rohrtyps, oder mit anderen Formstücken durch Flanschverbindungen oder Laminatverbindungen verbunden. Produktbezeichnung UP-GF (Rein GFK): Bogen 45°, entsprechend Rohrtyp D, Form E2, Nennweite DN 100 und Nenndruck PN 10, mit Laminatenden der Form L BOGEN DIN 16 966 - E2 D 100 - 10 L Verbundwerkstoffe / Liner: Kwerk GmbH liefert auch Linerwerkstoffe (Verbundwerkstoffe) für Rohre und Formstücke entsprechend der einschlägigen Norm DIN 16965 Teil 2/ Rohrtyp B. Zu unserem Lieferprogramm gehören: - Liner GFK-PVC U weichmacherfreies Polyvinylclorid nach DIN 8061, Farbe grau - Liner GFK-PVC U weichmacherfreies Polyvinylclorid nach DIN 8061, Farbe rot - Liner PVC C nachchloriertes Polyvinylclorid nach DIN 8080 - Liner GFK-PE-HD Polyethylen hoher Dichte nach DIN 8075 - Liner GFK-PP Polypropylen nach DIN 8078 - Liner PVDF Polyvinylidenfluorid Sie können den Bogen 45° aus GFK, auch online in unserem Webshop einkaufen |
|
T-STÜCK 90° AUS UP-GF, FÜR ROHR TYP D |
![]() |
![]() |
![]() |
![]() |
![]() |
T-Stücke werden mit den Rohren des entsprechenden Rohrtyps, oder mit anderen Formstücken durch Flanschverbindungen oder Laminatverbindungen verbunden. Produktbezeichnung UP-GF (Rein GFK): T-Stück 90°, entsprechend Rohrtyp D, Form T1, Nennweite DN 100 und Nenndruck PN 10, mit Laminatenden der Form L T-Stück DIN 16 966 - T1 D 100 - 10 L Verbundwerkstoffe / Liner: Kwerk GmbH liefert auch Linerwerkstoffe (Verbundwerkstoffe) für Rohre und Formstücke entsprechend der einschlägigen Norm DIN 16965 Teil 2/ Rohrtyp B. Zu unserem Lieferprogramm gehören: - Liner GFK-PVC U weichmacherfreies Polyvinylclorid nach DIN 8061, Farbe grau - Liner GFK-PVC U weichmacherfreies Polyvinylclorid nach DIN 8061, Farbe rot - Liner PVC C nachchloriertes Polyvinylclorid nach DIN 8080 - Liner GFK-PE-HD Polyethylen hoher Dichte nach DIN 8075 - Liner GFK-PP Polypropylen nach DIN 8078 - Liner PVDF Polyvinylidenfluorid Sie können das T-Stück 90° aus GFK, auch online in unserem Webshop einkaufen |
|
T-STÜCK 90° MIT REDUZIERTEM ABZWEIG AUS UP-GF, FÜR ROHR TYP D |
![]() |
![]() |
![]() |
![]() |
![]() |
T-Stücke mit reduziertem Abzweig, werden mit den Rohren des entsprechenden Rohrtyps, oder mit anderen Formstücken durch Flanschverbindungen oder Laminatverbindungen verbunden. Produktbezeichnung UP-GF (Rein GFK): T-Stück 90° mit reduziertem Abgang, entsprechend Rohrtyp D, Durchgangsnennweite DN1 =100 und Abzweig Nennweite DN2 = 80, für Laminatverbindung der Form L T-Stück DIN 16 966 - T2 D 100 X 80 L Verbundwerkstoffe / Liner: Kwerk GmbH liefert auch Linerwerkstoffe (Verbundwerkstoffe) für Rohre und Formstücke entsprechend der einschlägigen Norm DIN 16965 Teil 2/ Rohrtyp B. Zu unserem Lieferprogramm gehören: - Liner GFK-PVC U weichmacherfreies Polyvinylclorid nach DIN 8061, Farbe grau - Liner GFK-PVC U weichmacherfreies Polyvinylclorid nach DIN 8061, Farbe rot - Liner PVC C nachchloriertes Polyvinylclorid nach DIN 8080 - Liner GFK-PE-HD Polyethylen hoher Dichte nach DIN 8075 - Liner GFK-PP Polypropylen nach DIN 8078 - Liner PVDF Polyvinylidenfluorid Sie können das T-Stück 90° aus GFK mit reduziertem Abgang, auch online in unserem Webshop einkaufen |
|
||||||||||||||||||||||||||||||||||||||||||||||||||||||||||||||||||||||||||||||||||||||||||||||||||||||||||||||||||||||||||||||||||||||||||||||||||||||||||||||||||||||||||||||||||||||||||||||||||||||||||||||||||||||||||||||||||||||||||||||||||||||||||||||||||||||
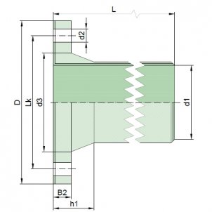
STUTZEN MIT ANGEFORMTEM BUND AUS UP-GF, FÜR ROHR TYP D |
![]() |
![]() |
![]() |
![]() |
![]() |
Stutzen mit angeformtem Bund aus UP-GF (GFK) werden mit den Rohren des entsprechenden Rohrtyps, oder mit anderen Formstücken durch Laminatverbindungen verbunden. Die angeformten Bunde, können bei Bedarf, bereits in der Werkstatt mit allen Rohrlängen kundenspezifisch konfektioniert bzw. kombiniert werden. Produktbezeichnung UP-GF (Rein GFK): Angeformter Bund, entsprechend Rohrtyp D, Form B2, Nennweite DN 100 und Nenndruck PN 10, mit Laminatenden der Form L Bund DIN 16 966 - B2 D 100 - 10 L Verbundwerkstoffe: Kwerk.de liefert auch Linerwerkstoffe (Verbundwerkstoffe) für Rohre und Formstücke entsprechend der einschlägigen Norm DIN 16965 Teil 2/ Rohrtyp B. Zu unserem Lieferprogramm gehören: - Liner GFK-PVC U weichmacherfreies Polyvinylclorid nach DIN 8061, Farbe grau - Liner GFK-PVC U weichmacherfreies Polyvinylclorid nach DIN 8061, Farbe rot - Liner PVC C nachchloriertes Polyvinylclorid nach DIN 8080 - Liner GFK-PE-HD Polyethylen hoher Dichte nach DIN 8075 - Liner GFK-PP Polypropylen nach DIN 8078 - Liner PVDF Polyvinylidenfluorid Sie können den Stutzen mit angeformten Bund aus GFK, auch online in unserem Webshop einkaufen |
|
STUTZEN MIT ANGEFORMTEM FESTFLANSCH AUS UP-GF, FÜR ROHR TYP D |
![]() |
![]() |
![]() |
![]() |
Angeformte Festflansche aus UP-GF (GFK), werden mit den Rohren des entsprechenden Rohrtyps, oder mit anderen Formstücken durch Flanschverbindungen oder Laminatverbindungen verbunden. Die angeformten Festflansche, können bei Bedarf, bereits in der Werkstatt mit allen Rohrlängen kundenspezifisch konfektioniert bzw. kombiniert werden. Produktbezeichnung UP-GF (Rein GFK): Angeformter Flansch, entsprechend Rohrtyp D, Form V3, Nennweite DN 100 und Nenndruck PN 10, für Rohre des Nenndruckes 2,5 mit Laminatenden der Form L Festflansch DIN 16 966 - V3 D 100 - 10 - 2,5 L Verbundwerkstoffe: Kwerk.de liefert auch Linerwerkstoffe (Verbundwerkstoffe) für Rohre und Formstücke entsprechend der einschlägigen Norm DIN 16965 Teil 2/ Rohrtyp B. Zu unserem Lieferprogramm gehören: - Liner GFK-PVC U weichmacherfreies Polyvinylclorid nach DIN 8061, Farbe grau - Liner GFK-PVC U weichmacherfreies Polyvinylclorid nach DIN 8061, Farbe rot - Liner PVC C nachchloriertes Polyvinylclorid nach DIN 8080 - Liner GFK-PE-HD Polyethylen hoher Dichte nach DIN 8075 - Liner GFK-PP Polypropylen nach DIN 8078 - Liner PVDF Polyvinylidenfluorid Sie können den angeformten Festflansch aus GFK, auch online in unserem Webshop einkaufen |
|
REDUZIERSTÜCK AUS UP-GF - KONZENTRISCH, FÜR ROHR TYP D |
![]() |
![]() |
![]() |
![]() |
![]() |
Reduzierstücke aus UP-GF (GFK), werden mit den Rohren des entsprechenden Rohrtyps, oder mit anderen Formstücken durch Flanschverbindungen oder Laminatverbindungen verbunden. Produktbezeichnung UP-GF (Rein GFK): Reduzierstück konzentrisch, entsprechend Rohrtyp D, Form C2, reduziert von Nennweite DN 100 auf Nennweite 80, Nenndruck PN 10, mit glatten Laminatenden der Form L Reduzierstück DIN 16 966 - C2 D 100 x 80 - 10 L Verbundwerkstoffe: Kwerk.de liefert auch Linerwerkstoffe (Verbundwerkstoffe) für Rohre und Formstücke entsprechend der einschlägigen Norm DIN 16965 Teil 2/ Rohrtyp B. Zu unserem Lieferprogramm gehören: - Liner GFK-PVC U weichmacherfreies Polyvinylclorid nach DIN 8061, Farbe grau - Liner GFK-PVC U weichmacherfreies Polyvinylclorid nach DIN 8061, Farbe rot - Liner PVC C nachchloriertes Polyvinylclorid nach DIN 8080 - Liner GFK-PE-HD Polyethylen hoher Dichte nach DIN 8075 - Liner GFK-PP Polypropylen nach DIN 8078 - Liner PVDF Polyvinylidenfluorid Sie können das Reduzierstück konzentrisch aus GFK, auch online in unserem Webshop einkaufen |
REDUZIERSTÜCK AUS UP-GF - EXZENTRISCH, FÜR ROHR TYP D |
![]() |
![]() |
![]() |
![]() |
![]() |
Reduzierstück aus UP-GF (GFK), werden mit den Rohren des entsprechenden Rohrtyps, oder mit anderen Formstücken durch Flanschverbindungen oder Laminatverbindungen verbunden. Produktbezeichnung UP-GF (Rein GFK): Reduzierstück exzentrisch, entsprechend Rohrtyp D, Form X2, reduziert von Nennweite DN 100 auf Nennweite 80, Nenndruck PN 10, mit glatten Laminatenden der Form L Reduzierstück DIN 16 966 - X2 D 100 x 80 - 10 L Verbundwerkstoffe: Kwerk.de liefert auch Linerwerkstoffe (Verbundwerkstoffe) für Rohre und Formstücke entsprechend der einschlägigen Norm DIN 16965 Teil 2/ Rohrtyp B. Zu unserem Lieferprogramm gehören: - Liner GFK-PVC U weichmacherfreies Polyvinylclorid nach DIN 8061, Farbe grau - Liner GFK-PVC U weichmacherfreies Polyvinylclorid nach DIN 8061, Farbe rot - Liner PVC C nachchloriertes Polyvinylclorid nach DIN 8080 - Liner GFK-PE-HD Polyethylen hoher Dichte nach DIN 8075 - Liner GFK-PP Polypropylen nach DIN 8078 - Liner PVDF Polyvinylidenfluorid Sie können das Reduzierstück exzentrisch aus GFK, auch online in unserem Webshop einkaufen |
|
|||||||||||||||||||||||||||||||||||||||||||||||||||||||||||||||||||||||||||||||||||||||||||||||||||||||||||||||||||||||||||||||||||||||||||||||||||||||||||||||||||||||||||||||||||||||||||||||||||||||||||||||||||||||||||||||||||||||||||||||||||||||||||||||||||||||||||||||||||||||||||||||||||||||||||||||||||||||||||||||||||||||||||||||||||||||||||||||||||||||||||||||||||||||||||||||||||||||||||||||||||||||||||||||||||||||||||||||||||||||||||||||||||||||||||||||||||||||||||||||||||||||||||||||||||||||||||||||||||||||||||||||||||||||||||||||||||||||||||||||||||||||||||||||||||||||||||||||||||||||||||||||||||||||||||||||||||||||||||||||||||||||||||||||||||||||||||||||||||||||||||||||||||||||||||||||||||||||||||||||||||||||||||||||||||||||||||||||||||||||||||||||||||||||||||||||||||||||||||||||||||||||||||||||||||||||||||||||||||||||||||||||||||||||||||||||||||||||||||||||||||||||||||||||||||||||||||||||||||||||||||||||||||||||||||||||||||||||||||||||||||
|
|
Ihre Wünsche, unsere Lösungen - Ein umfangreiches Lieferprogramm nach Maß. |
Partnerschaft auf höchstem Niveau |
|
|
|
|
|
|
|